Geri
Dikey Vibro Kepek Fırçası

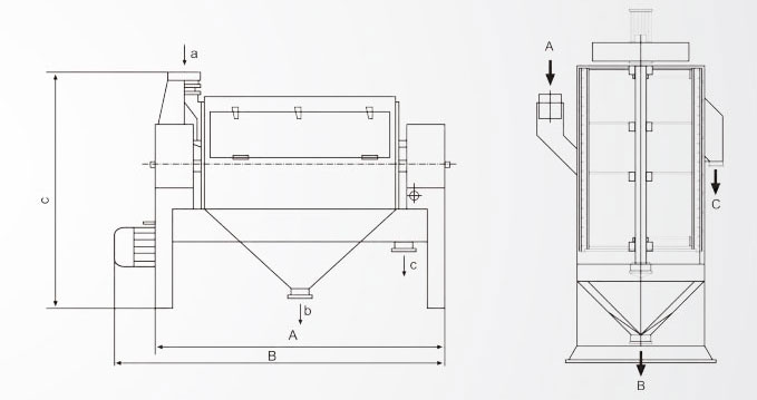
Kepek fırçası; un fabrikalarının öğütme bölümünde kullanılır. Kepeklere yapışmış olan unların ayrıştırılmasını sağlar. Yatay olarak çalışan rotorun üzerindeki özel paletler mamulü çevirerek kepek üzerine yapışmış veya içinde kalmış un tanecikleri, gözenek büyüklükleri özel olarak seçilmiş gömleğe çarpar ve gömlek dışına çıkar, kepeğin ise içeriden yan çıkışa yönlendirilmesi sağlanır. Böylece un kaybı önlenmiş olur.
